Biến trở vô cấp WDD35D4 - potentiometer WDD35D-4 - Biến trở WDD35D4, biến trở một vòng WDD35D4
Thông tin sản phẩm:
Biến trở WDD35D hay còn gọi là biến trở một vòng, biến trở vô cấp nó có thể điều chỉnh giá trị điện trở bằng cách xoay một vòng quay. Biến trở WDD35D (biến trở một vòng) thường được sử dụng để điều chỉnh độ sáng của đèn hoặc âm lượng của loa... Biến trở một vòng cũng được sử dụng trong các mạch điện tử khác để điều chỉnh giá trị điện trở.
Biến trở WDD35D là thiết bị điện có khả năng biến đổi điện trở theo ý muốn của người dùng. Nó thường được sử dụng trong các mạch điện để điều chỉnh hoạt động của mạch. Điện trở của biến trở có thể thay đổi thông qua việc thay đổi chiều dài của dây dẫn điện trong thiết bị hoặc sử dụng nhiệt độ, bức xạ điện từ, ánh sáng để làm thay đổi. Giá trị của biến trở không cố định, thường là một dãy giá trị ví dụ như 0-10 kΩ. Khi bạn gặp một biến trở với giá trị ghi trên sản phẩm là 5kΩ, bạn hiểu rằng giá trị điện trở của nó có thể thay đổi trong phạm vi từ 0 đến 10kΩ.
Biến trở WDD35D thường được ký hiệu hóa để dễ dàng đọc sơ đồ mạch điện. Ở Việt Nam, có ba dạng ký hiệu phổ biến cho biến trở. Đơn vị của biến trở là ohm (ký hiệu Ω), được đặt tên theo nhà vật lý học Georg Simon Ohm, người đã phát minh và nghiên cứu ra nó.
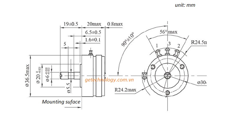
Cấu tạo của biến trở bao gồm:
Như vậy các loại biến trở có ghi thông tin 0.1% và 1% chính là giá trị sai số của biến trở. Biến trở 1% có sai số lớn hơn so với biến trở 0.1%, nên biến trở 0.1% chính xác hơn trong việc điều chỉnh giá trị trở kháng.
Biến trở với ký hiệu ±15% thể hiện sai số về giá trị điện trở của nó. Hãy cùng tìm hiểu ý nghĩa của con số này:
Biến trở và sai số: Biến trở là một loại linh kiện điện có khả năng thay đổi giá trị điện trở theo ý muốn. Khi bạn mua một biến trở, trên sản phẩm thường ghi rõ giá trị điện trở và sai số. Sai số là khoảng biến động cho phép của giá trị điện trở so với giá trị ghi trên sản phẩm. Trong trường hợp của biến trở ±15%, điều này có nghĩa là giá trị điện trở thực tế có thể dao động trong khoảng từ 85% đến 115% của giá trị ghi trên sản phẩm.
Ví dụ: Nếu bạn mua một biến trở có giá trị ghi là 100 ohm và sai số ±15%, thì giá trị điện trở thực tế có thể nằm trong khoảng từ 85 ohm đến 115 ohm. Điều này cho phép bạn điều chỉnh cường độ dòng điện trong mạch một cách linh hoạt, tùy thuộc vào nhu cầu cụ thể của ứng dụng.
Nhớ rằng, sai số này là thông tin quan trọng khi bạn lựa chọn và sử dụng biến trở trong các mạch điện của radio, tivi, và các thiết bị khác.
Quy đổi: 1 Kilôôm [kΩ] = 1 000 Ôm [Ω]











Thông số kỹ thuật:  Biến trở WDD35D-4 
Loại: Biến trở vô cấp
Công suất định mức: 2W
Nhiệt độ hoạt động: -55 ° C ~ + 125 ° C
Điện trở: 1K, 2K, 3K, 5K, 10K ohm
Dung sai: ± 15%
Tối đa Điện áp hoạt động: 24 V
Công nghệ: Phim Carbon
cấp chính xác : ≤ ± 0,10% hoặc 0,5%
Cách điện: ≥1000MΩat 500V.D.C
Trục: thép không gỉ
Vỏ: Hợp kim nhôm
Vòng quay: Khoảng 50.000 vòng
Khách hàng cần tham khảo thêm các loại biến trở và phụ kiện biến trở khác xem tại đây.
Thông tin liên hệ
Công ty TNHH Kỹ thuật GE
Địa chỉ: Tầng 6, Tòa nhà Sinh Plaza, Số 18-20 Đức Diễn, Phường Phúc Diễn, Quận Bắc Từ Liêm, Hà Nội
Hotline tư vấn: 02462.928.035
Điện thoại hỗ trợ: 0965 76 99 55 - 0974 064 299 - 0973 670 299
Email: sales@getechnology.com.vn hoặc service@getechnology.com.vn