Van điện từ / van rũ bụi dòng DMF là thiết bị quan trọng trong các hệ thống lọc bụi công nghiệp sử dụng công nghệ Pulse Jet. Sản phẩm được thiết kế chuyên dụng để tạo ra các xung khí nén mạnh, giúp làm sạch bụi bám trên bề mặt túi lọc, từ đó nâng cao hiệu suất lọc và kéo dài tuổi thọ của toàn bộ hệ thống.
Van DMF được ứng dụng rộng rãi trong các ngành như xi măng, luyện kim, chế biến gỗ, nhiệt điện, hóa chất, thực phẩm và vật liệu xây dựng.
Van điện từ dòng DMF là một loại van xung điện từ chuyên dùng trong các hệ thống lọc bụi để phát ra các xung khí nén mạnh, giúp làm sạch túi lọc hoặc bề mặt bộ lọc bằng khí xung áp lực cao. Khi nhận tín hiệu từ bộ điều khiển PLC hoặc bộ xung, van sẽ mở trong một khoảng thời gian cực ngắn để tạo ra xung khí nén siêu mạnh, đánh bật bụi bám trên bề mặt màng lọc, giúp hệ thống vận hành ổn định hơn và giảm thiểu tắc nghẽn



DMF-Z-20 / DMF-Z-25 – Hệ thống lọc bụi nhỏ
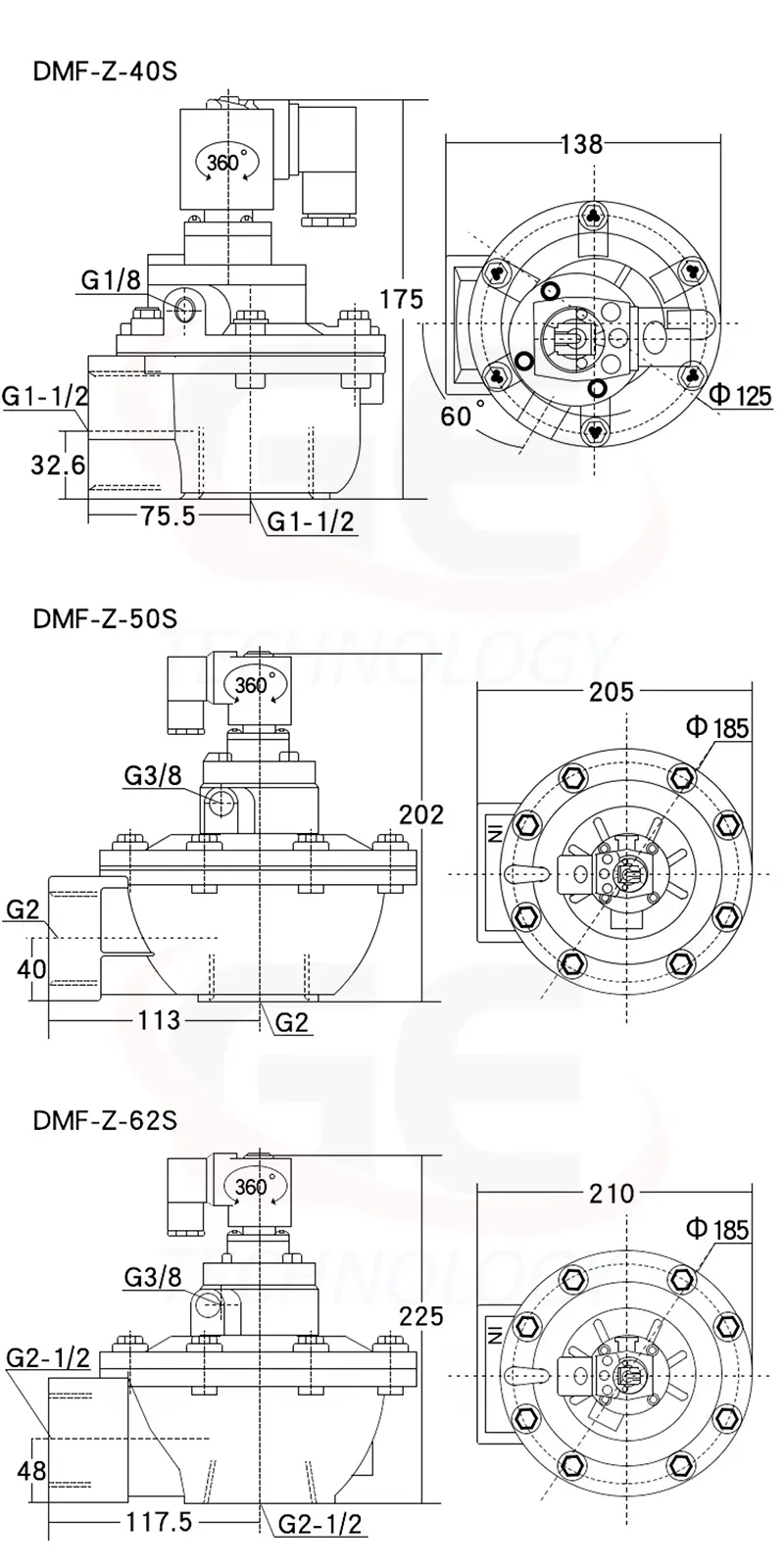
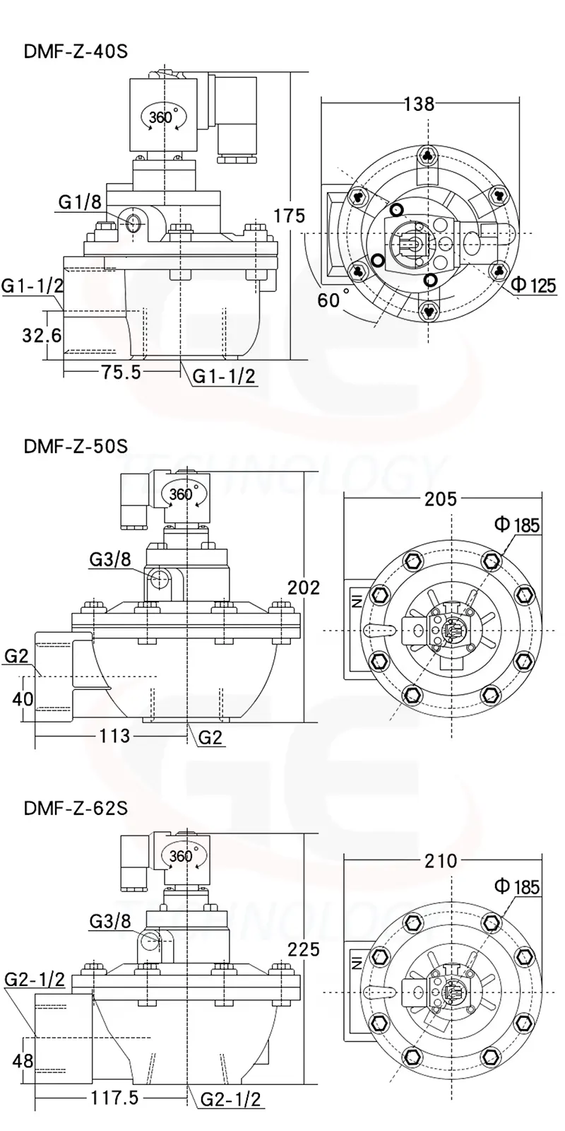
DMF-Z-40 / DMF-Z-50 – Hệ thống lọc bụi trung bình
DMF-Z-62 / DMF-Z-76 – Hệ thống lọc bụi công suất lớn
Mỗi model có lưu lượng khí và lực xung khác nhau, phù hợp từng quy mô hệ thống.




Van phát ra xung khí nén với lực xung mạnh, giúp loại bỏ hiệu quả bụi bẩn trên bề mặt lọc.
Hoạt động ổn định với độ phản hồi nhanh và tuổi thọ màng van cao (> 1.000.000 lần xung).
Có nhiều lựa chọn kích thước từ ¾” tới 3” hoặc lớn hơn, phù hợp với các hệ thống lọc đa dạng.
Kiểu kết nối gồm ren G, BSP, NPT hoặc khớp nối nhanh, rất thuận tiện khi lắp đặt.
Thân van thường được làm từ hợp kim nhôm đúc hoặc thép không gỉ, đảm bảo khả năng chống va đập, ăn mòn và chịu nhiệt.
Màng van (diaphragm) làm từ NBR, EPDM hoặc Viton giúp tăng tuổi thọ và đảm bảo kín khí.
Có thể tích hợp với bộ điều khiển xung (pulse controller) và bình tích khí nén (air receiver), rất phù hợp với hệ thống hiện đại.
Van điện từ DMF được sử dụng rộng rãi trong các hệ thống lọc bụi như:
🚧 Nhà máy xi măng, thép, luyện kim
🌲 Nhà máy chế biến gỗ, dệt may, sản xuất nhựa
🏭 Hệ thống lọc tháp công nghiệp và xử lý khí thải
🔋 Bộ thu bụi túi vải Pulse Jet
Nhờ khả năng tạo ra xung khí mạnh và chính xác theo tần số lập trình, van giúp giảm tiêu hao năng lượng, kéo dài tuổi thọ bộ lọc và tăng hiệu quả xử lý bụi tổng thể
Chọn đúng kích thước van theo đường kính ống thổi
Đảm bảo áp suất khí nén ổn định
Sử dụng khí nén sạch, không lẫn dầu hoặc nước
Kết hợp bộ điều khiển xung phù hợp để đạt hiệu quả tối ưu